技术支持 放心产品,贴心服务
首页 > 技术支持 > 产品技术支持>三坐标形位公差知识点-同轴度

三坐标形位公差知识点-同轴度

发表时间:2022-06-10 14:06:19 作者:思瑞瑕疵检测 来源:www.serein.com.cn 浏览:16330

什么是同轴度?

同轴度是表示零件上被测轴线和对于基准轴线,保持在同一直线上的状况,也就是通常所说的共轴程度用来评价圆柱、圆锥或线相对于基准轴线的偏离程度,由于被测轴线对基准轴线的不同点可能在空间各个方向上出现,固其公差带是直径为值Φt,且与基准轴线同轴的圆柱面内的区域。

同轴度公差带

 三坐标形位公差知识点-同轴度(图1)

 

同轴度公差

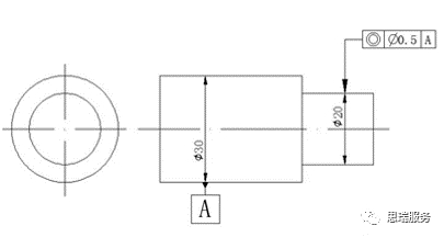
同轴度公差是指被测实际轴线相对于基准轴线所允许的最大变动量,例如

三坐标形位公差知识点-同轴度(图2)

  

上图表示Φ20的圆柱相对于Φ30圆柱的同轴度公差为Φ0.5,以Φ30圆柱的轴线模拟到一条理论轴线,即基准轴的轴线直线度为零,再以该理论轴线为轴心线,在Φ20圆柱长度内做一圆柱面,如下图,圆柱面直径为Φ0.5,只要被测Φ20圆柱的轴线上所有点都落在Φ0.5圆柱面内,则被测圆柱的同轴度合格。

 三坐标形位公差知识点-同轴度(图3)

三坐标测量同轴度

同轴度控制的是轴心的位置关系,而轴心不能直接通过测量得到,需要根据圆的表面点来得到圆轴位置 ,使用常规的检测仪器很难得到,通常是使用计算机辅助计算得到。

三坐标测量机,就很容易得到同轴度测量值。PC-DMIS与Rational-DMIS都有同轴度的评价功能,使三坐标测量能够直接输出同轴度的测量结果。

注意:部分产品对于基准圆柱与被测圆柱(较短)距离较远时是不能用三坐标测量软件直接求得的,此处我们要引入一个概念——延伸误差,如下图t'为延伸误差带来的结果:

三坐标形位公差知识点-同轴度(图4)

  

上图可以看出,如果以左侧轴线为基准,延伸到右侧被测圆柱时,计算得到同轴度结果为t',显然这个结果是错误的,而图中蓝色公差带结果t才是我们想要的同轴度结果。那么我们如何才能减少延伸误差呢?

通常用公共轴线法、直线度法、求距法求得。

同轴度的三坐标测量方法

1、公共轴线法

    此方法思路来源于传统的“芯棒法”,通过构造一条基准与被测间的公共轴线作为基准,分别计算基准圆柱和被测圆柱对公共轴线的同轴度,取最大值为该零件的同轴度。这条公共轴线近似于一个模拟心轴,因此这种方法接近零件的实际装配过程。

公共轴线构造方法:

    在被测元素和基准元素上测量多个横截面的圆,再将这些圆的圆心构造一条3D直线,作为公共轴线,每个圆的直径可以不一致。

2、直线度法

   在被测元素和基准元素上测量多个横截面的圆,然后选择这几个圆构造一条3D直线,同轴度近似为直线度的两倍

3、求距法

同轴度为被测元素和基准元素轴线间最大距离的两倍。即用关系计算出被测元素和基准元素的最大距离后,将其乘以2即可。求距法在计算最大距离时要将其投影到一个平面上来计算,因此这个平面与用作基准的轴的垂直度要好。这种情况比较适合测量同心度,因此此方法也称之为转换同心度法。

注意:同轴度是一个重要是控制公差,同轴度约束的是轴线的位置相对于基准轴线的位置关系,在实际三坐标测量中,具体方法还需要参照图纸决定。

上一个: 思瑞三坐标测量软件如何输出DMO报告?
下一个: 什么是三坐标迭代法?
返回列表
最新文章: 三坐标新能源电池托盘尺寸检测
最新文章: 以技砺能,匠心如一——2025年第八届“思瑞杯”技能比武大赛圆满收官
推荐文章: 三坐标新能源电池托盘尺寸检测
推荐文章: 以技砺能,匠心如一——2025年第八届“思瑞杯”技能比武大赛圆满收官
相关产品